 Our Product Range
 Ball Bearings
 Pillow Block Bearings
 Taper Roller Bearings
 Needle Roller Bearings
 Cylindrical Roller Bearings
 Spherical Roller Bearings
 Thrust Ball Bearings
 Double Row Self Aligning Bearings
 Angular Contact Ball Bearings
 Agricultural Bearings
 Stainless Steel
 Steel Balls
|
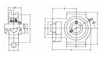
 Pillow Block Bearings (UCT Series)
 |
|
Bearing No. |
Dimensions mm inch |
Weight Kg |
| d |
o |
q |
p |
q |
s |
b |
k |
e |
a |
w |
j |
l |
h |
B |
n |
| UCT201 |
12 |
16 |
10 |
51 |
32 |
19 |
51 |
12 |
76 |
89 |
94 |
32 |
21 |
61 |
31 |
12.7 |
0.8 |
| UCT201-8 |
1/2 |
5/8 |
25/64 |
1-1/64 |
1-1/4 |
3/4 |
2-1/64 |
15/32 |
2-63/64 |
3-1/2 |
3-11/16 |
1-1/4 |
13/16 |
2-13/32 |
1.2205 |
0.5 |
0.8 |
| UCT202 |
15 |
16 |
10 |
51 |
32 |
19 |
51 |
12 |
76 |
89 |
94 |
32 |
21 |
61 |
31 |
12.7 |
0.79 |
| UCT202-9 |
9/16 |
5/8 |
25/64 |
1-1/64 |
1-1/4 |
3/4 |
2-1/64 |
15/32 |
2-63/64 |
3-1/2 |
3-11/16 |
1-1/4 |
13/16 |
2-13/32 |
1.2205 |
0.5 |
0.79 |
| UCT202-10 |
5/8 |
0.79 |
| UCT203 |
17 |
16 |
10 |
51 |
32 |
19 |
51 |
12 |
76 |
89 |
94 |
32 |
21 |
61 |
31 |
12.7 |
0.78 |
| UCT203-11 |
11/16 |
5/8 |
25/64 |
1-1/64 |
1-1/4 |
3/4 |
2-1/64 |
15/32 |
2-63/64 |
3-1/2 |
3-11/16 |
1-1/4 |
13/16 |
2-13/32 |
1.2205 |
0.5 |
0.77 |
| UCT204 |
20 |
16 |
10 |
51 |
32 |
19 |
51 |
12 |
76 |
89 |
94 |
32 |
21 |
61 |
31 |
12.7 |
0.76 |
| UCT204-12 |
3/4 |
5/8 |
25/64 |
1-1/64 |
1-1/4 |
3/4 |
2-1/64 |
15/32 |
2-63/64 |
3-1/2 |
3-11/16 |
1-1/4 |
13/16 |
2-13/32 |
1.2205 |
0.5 |
0.76 |
| UCT205 |
25 |
16 |
10 |
51 |
32 |
19 |
51 |
12 |
76 |
89 |
97 |
32 |
24 |
62 |
34.1 |
14.3 |
0.81 |
| UCT205-13 |
13/16 |
5/8 |
25/64 |
1-1/64 |
1-1/4 |
3/4 |
2-1/64 |
15/32 |
2-63/64 |
3-1/2 |
3-13/16 |
1-1/4 |
15/16 |
2-7/16 |
1.3425 |
0.563 |
0.85 |
| UCT205-14 |
7/8 |
0.84 |
| UCT205-15 |
15/16 |
0.82 |
| UCT205-16 |
1 |
0.81 |
| UCT206 |
30 |
16 |
10 |
56 |
37 |
22 |
57 |
12 |
89 |
102 |
113 |
37 |
28 |
70 |
38.1 |
15.9 |
1.22 |
| UCT206-17 |
1-1/16 |
5/8 |
25/64 |
2-7/32 |
1-29/64 |
55/64 |
2-1/4 |
15/32 |
3-1/2 |
4-1/64 |
4-29/64 |
1-29/64 |
1-3/32 |
2-3/4 |
1.5 |
0.626 |
1.23 |
| UCT206-18 |
1-1/8 |
1.24 |
| UCT206-19 |
1-3/16 |
1.22 |
| UCT206-20 |
1-1/4 |
1.21 |
| UCT207 |
35 |
16 |
13 |
64 |
37 |
22 |
64 |
12 |
89 |
102 |
129 |
37 |
30 |
78 |
42.9 |
17.5 |
1.44 |
| UCT207-20 |
1-1/4 |
5/8 |
33/64 |
2-33/64 |
1-29/64 |
55/64 |
2-33/64 |
15/32 |
3-1/2 |
4-1/64 |
5-5/64 |
1-29/64 |
1-3/16 |
3-5/64 |
1.689 |
0.689 |
1.5 |
| UCT207-21 |
1-5/16 |
1.46 |
| UCT207-22 |
1-3/8 |
1.44 |
| UCT207-23 |
1-7/16 |
1.41 |
| UCT208 |
40 |
19 |
16 |
83 |
49 |
29 |
83 |
16 |
102 |
114 |
144 |
49 |
33 |
89 |
49.2 |
19 |
2.4 |
| UCT208-24 |
1-1/2 |
3/4 |
5/8 |
3-17/64 |
1-15/16 |
1-9/64 |
3-17/64 |
5/8 |
4-1/64 |
4-31/64 |
5-43/64 |
1-15/16 |
1-5/16 |
3-1/2 |
1.937 |
0.748 |
2.44 |
| UCT208-25 |
1-9/16 |
2.41 |
| UCT209 |
45 |
19 |
16 |
83 |
49 |
29 |
83 |
16 |
102 |
117 |
144 |
49 |
35 |
87 |
49.2 |
19 |
2.36 |
| UCT209-26 |
1-5/8 |
3/4 |
5/8 |
3-17/64 |
1-15/16 |
1-9/64 |
3-17/64 |
5/8 |
4-1/64 |
4-39/64 |
5-43/64 |
1-15/16 |
1-3/8 |
3-27/64 |
1.937 |
0.748 |
2.46 |
| UCT209-27 |
1-11/16 |
2.42 |
| UCT209-28 |
1-3/4 |
2.38 |
| UCT210 |
50 |
19 |
16 |
83 |
49 |
29 |
86 |
16 |
102 |
117 |
149 |
49 |
37 |
90 |
51.6 |
19 |
2.43 |
| UCT210-29 |
1-13/16 |
3/4 |
5/8 |
3-17/64 |
1-15/16 |
1-9/64 |
3-17/64 |
5/8 |
4-1/64 |
4-39/64 |
5-55/64 |
1-15/16 |
1-15/32 |
3-35/64 |
2.0315 |
0.748 |
2.55 |
| UCT210-30 |
1-15/16 |
2.5 |
| UCT210-31 |
2 |
2.45 |
| UCT210-32 |
|
2.41 |
| UCT211 |
55 |
25 |
19 |
102 |
64 |
35 |
95 |
22 |
130 |
146 |
171 |
64 |
38 |
106 |
55.6 |
22.2 |
4.11 |
| UCT211-32 |
2 |
63/64 |
3/4 |
4-1/64 |
2-1/32 |
1-3/8 |
3-3/4 |
55/64 |
5-1/8 |
5-3/4 |
6-47/64 |
2-33/64 |
1-1/2 |
4-11/64 |
2.189 |
0.874 |
4.26 |
| UCT211-33 |
2-1/16 |
4.2 |
| UCT211-34 |
2-1/8 |
4.15 |
| UCT211-35 |
2-3/16 |
4.09 |
| UCT212 |
60 |
32 |
19 |
102 |
64 |
35 |
102 |
22 |
130 |
146 |
194 |
64 |
42 |
119 |
65.1 |
25.4 |
4.97 |
| UCT212-36 |
2-1/4 |
1-17/64 |
3/4 |
4-1/64 |
2-1/32 |
1-3/8 |
4-1/64 |
55/64 |
5-1/8 |
5-3/4 |
7-41/64 |
2-33/64 |
1-21/32 |
4-11/16 |
2.563 |
1 |
5.1 |
| UCT212-37 |
2-5/16 |
5.02 |
| UCT212-38 |
2-3/8 |
4.95 |
| UCT212-39 |
2-7/16 |
4.88 |
| UCT213 |
65 |
32 |
21 |
111 |
70 |
41 |
121 |
26 |
151 |
167 |
224 |
70 |
44 |
137 |
65.1 |
25.4 |
6.65 |
| UCT213-40 |
2-1/2 |
1-17/64 |
53/64 |
4-3/8 |
2-3/4 |
1-39/64 |
4-49/64 |
1-1/32 |
5-15/16 |
6-37/64 |
8-13/16 |
2-3/4 |
1-23/32 |
5-25/64 |
2.563 |
1 |
6.74 |
| UCT213-41 |
2-9/16 |
6.65 |
| UCT214 |
70 |
32 |
21 |
111 |
70 |
41 |
121 |
26 |
151 |
167 |
224 |
70 |
46 |
137 |
74.6 |
30.2 |
7.05 |
| UCT214-42 |
2-5/8 |
1-17/64 |
53/64 |
4-3/8 |
2-3/4 |
1-39/64 |
4-49/64 |
1-1/32 |
5-15/16 |
6-37/64 |
8-13/16 |
2-3/4 |
1-13/16 |
5-25/64 |
2.937 |
1.189 |
7.26 |
| UCT214-43 |
2-11/16 |
7.16 |
| UCT214-44 |
2-3/4 |
7.06 |
| UCT215 |
75 |
32 |
21 |
111 |
70 |
41 |
121 |
26 |
151 |
167 |
232 |
70 |
48 |
140 |
77.8 |
33.3 |
7.41 |
| UCT215-45 |
2-13/16 |
1-17/64 |
53/64 |
4-3/8 |
2-3/4 |
1-39/64 |
4-49/64 |
1-1/32 |
5-15/16 |
6-37/64 |
9-9/64 |
2-3/4 |
1-57/64 |
5-33/64 |
3.063 |
1.311 |
7.66 |
| UCT215-46 |
37445 |
7.55 |
| UCT215-47 |
2-15/16 |
7.44 |
| UCT215-48 |
3 |
7.32 |
| UCT216 |
80 |
32 |
21 |
111 |
70 |
41 |
121 |
26 |
165 |
184 |
235 |
70 |
51 |
140 |
82.6 |
33.3 |
8.3 |
| UCT216-49 |
3-1/16 |
1-17/64 |
53/64 |
4-3/8 |
2-3/4 |
1-39/64 |
4-49/64 |
1-1/32 |
6-1/2 |
7-1/4 |
9-1/4 |
2-3/4 |
2 |
5-33/64 |
3.252 |
1.311 |
8.48 |
| UCT216-50 |
3-1/8 |
8.35 |
| UCT216-51 |
3-3/16 |
8.22 |
| UCT217 |
85 |
38 |
29 |
124 |
73 |
48 |
157 |
30 |
173 |
198 |
260 |
73 |
54 |
162 |
85.7 |
34.1 |
11..00 |
| UCT217-52 |
3-1/4 |
1-1/2 |
1-9/64 |
4-7/8 |
2-7/8 |
1-57/64 |
6-3/16 |
1-3/16 |
6-13/16 |
7-51/64 |
10-15/64 |
2-7/8 |
2-1/8 |
6-3/8 |
3.374 |
1.343 |
11.22 |
| UCT217-53 |
3-5/16 |
11.09 |
| UCT217-55 |
3-7/16 |
10.8 |
| UCT305 |
25 |
16 |
14 |
62 |
36 |
26 |
65 |
12 |
80 |
89 |
122 |
36 |
26 |
76 |
38 |
15 |
1.4 |
| UCT305-13 |
13/16 |
5/8 |
9/16 |
2-7/16 |
1-13/32 |
1-1/32 |
2-9/16 |
0.472 |
3-5/32 |
3-1/2 |
4-13/16 |
1-13/32 |
1-1/32 |
3 |
1.4961 |
0.591 |
| UCT305-14 |
7/8 |
| UCT305-15 |
15/16 |
| UCT305-16 |
1 |
| UCT306 |
30 |
18 |
16 |
70 |
41 |
28 |
74 |
16 |
90 |
100 |
137 |
41 |
28 |
85 |
43 |
17 |
1.8 |
| UCT306-17 |
1-1/16 |
23/32 |
5/8 |
2-3/4 |
1-5/8 |
1-3/32 |
2-29/32 |
0.63 |
3-55/64 |
3-15/16 |
5-13/32 |
1-5/8 |
1-3/32 |
3-11/32 |
1.6929 |
0.669 |
| UCT306-18 |
1-1/8 |
| UCT306-19 |
1-3/16 |
| UCT307 |
35 |
20 |
17 |
75 |
45 |
30 |
80 |
16 |
100 |
111 |
150 |
45 |
32 |
94 |
48 |
19 |
2.4 |
| UCT307-20 |
1-1/4 |
25/32 |
43/64 |
2-15/16 |
1-25/32 |
1-3/16 |
2-5/32 |
0.63 |
3-15/16 |
4-3/8 |
5-29/32 |
1-25/32 |
1-1/4 |
3-11/16 |
1.8898 |
0.748 |
| UCT307-21 |
1-5/16 |
| UCT307-22 |
1-3/8 |
| UCT307-23 |
1-7/16 |
| UCT308 |
40 |
22 |
19 |
83 |
50 |
32 |
89 |
18 |
112 |
124 |
162 |
50 |
34 |
100 |
52 |
19 |
3 |
| UCT308-24 |
1-1/2 |
7/8 |
3/4 |
3-17/64 |
1-31/32 |
1-1/4 |
3-1/2 |
0.709 |
4-13/32 |
4-7/8 |
6-3/8 |
1-21/32 |
1-11/32 |
3-15/16 |
2.0472 |
0.748 |
| UCT308-25 |
1-9/16 |
| UCT309 |
45 |
24 |
20 |
90 |
55 |
34 |
97 |
18 |
125 |
138 |
178 |
55 |
38 |
110 |
57 |
22 |
4 |
| UCT309-26 |
1-5/8 |
15/16 |
25/32 |
3-17/32 |
2-5/32 |
1-11/32 |
3-13/16 |
0.709 |
4-59/64 |
5-7/16 |
7 |
2-5/32 |
1-1/2 |
4-11/32 |
2.2441 |
0.886 |
| UCT309-27 |
1-11/16 |
| UCT309-28 |
1-3/4 |
| UCT310 |
50 |
27 |
22 |
98 |
61 |
37 |
106 |
20 |
140 |
151 |
192 |
61 |
40 |
118 |
61 |
22 |
5 |
| UCT310-29 |
1-13/16 |
1-1/16 |
7/8 |
3-27/32 |
2-13/32 |
1-15/32 |
4-3/16 |
0.787 |
5-33/64 |
5-15/16 |
7-9/16 |
2-13/32 |
1-9/16 |
4-21/32 |
2.4016 |
0.866 |
| UCT310-30 |
1-7/8 |
| UCT310-31 |
1-15/16 |
| UCT311 |
55 |
29 |
23 |
105 |
66 |
39 |
115 |
22 |
150 |
163 |
207 |
66 |
44 |
127 |
66 |
25 |
6.4 |
| UCT311-32 |
2 |
1-15/16 |
29/32 |
4-1/8 |
2-19/32 |
1-17/32 |
4-17/32 |
0.866 |
5-29/32 |
6-13/32 |
8-5/32 |
2-19/32 |
1-23/32 |
5 |
2.5984 |
0.984 |
| UCT311-33 |
2-1/16 |
| UCT311-34 |
2-1/8 |
| UCT311-35 |
2-3/16 |
| UCT312 |
60 |
31 |
25 |
113 |
71 |
41 |
123 |
22 |
160 |
178 |
220 |
71 |
46 |
135 |
71 |
26 |
7.6 |
| UCT312-36 |
2-1/4 |
1-7/32 |
31/32 |
4-7/16 |
2-25/32 |
1-5/8 |
4-27/32 |
0.866 |
6-19/64 |
7 |
8-21/32 |
2-25/32 |
1-13/16 |
5-5/16 |
2.7953 |
1.024 |
| UCT312-37 |
2-5/16 |
| UCT312-38 |
2-3/8 |
| UCT312-39 |
2-7/16 |
| UCT313 |
65 |
32 |
27 |
116 |
70 |
43 |
134 |
26 |
170 |
190 |
238 |
80 |
50 |
146 |
75 |
30 |
9.7 |
| UCT313-40 |
2-1/2 |
1-17/64 |
1-1/16 |
4-9/16 |
2-3/4 |
1-11/16 |
5-9/32 |
1.024 |
6-11/16 |
7-15/32 |
9-3/8 |
3-5/32 |
1-31/32 |
5-3/4 |
2.9528 |
1.181 |
| UCT313-41 |
2-9/16 |
| UCT314 |
70 |
36 |
27 |
130 |
85 |
46 |
140 |
26 |
180 |
202 |
252 |
90 |
52 |
155 |
78 |
33 |
11 |
| UCT314-42 |
2-5/8 |
1-13/32 |
1-1/16 |
5-1/8 |
3-11/32 |
1-13/16 |
5-1/2 |
1.024 |
7-3/32 |
7-15/16 |
9-29/32 |
3-17/32 |
2-1/16 |
6-3/32 |
3.2283 |
1.299 |
| UCT314-43 |
2-11/16 |
| UCT314-44 |
2-3/4 |
| UCT315 |
75 |
36 |
27 |
132 |
85 |
46 |
150 |
26 |
192 |
216 |
262 |
90 |
55 |
160 |
82 |
32 |
14 |
| UCT315-45 |
2-13/16 |
1-13/32 |
1-1/16 |
5-3/16 |
3-11/32 |
1-13/16 |
5-29/32 |
1.024 |
7-9/16 |
8-1/2 |
10-5/16 |
3-17/32 |
2-5/32 |
6-5/16 |
3.2283 |
1.26 |
| UCT315-46 |
3-7/8 |
| UCT315-47 |
2-15/16 |
| UCT315-48 |
3 |
| UCT316 |
80 |
42 |
30 |
150 |
98 |
53 |
160 |
30 |
204 |
230 |
282 |
102 |
60 |
174 |
86 |
34 |
16 |
| UCT316-49 |
3-1/16 |
1-21/32 |
1-3/16 |
5-29/32 |
3-27/32 |
2-3/32 |
6-5/16 |
1.181 |
8-1/32 |
9-1/16 |
11-3/32 |
4-1/32 |
2-3/8 |
6-27/32 |
3.2283 |
1.26 |
| UCT316-50 |
3-1/8 |
| UCT316-51 |
3-3/16 |
| UCT317 |
85 |
42 |
32 |
152 |
98 |
53 |
170 |
32 |
214 |
240 |
298 |
102 |
64 |
183 |
96 |
40 |
20 |
| UCT317-52 |
3-1/4 |
1-21/32 |
1-1/4 |
5-31/32 |
3-27/32 |
2-3/32 |
6-11/16 |
1.26 |
8-27/64 |
9-7/16 |
11-23/32 |
4-1/32 |
2-17/32 |
7-7/32 |
3.7795 |
1.575 |
| UCT317-53 |
3-5/16 |
| UCT317-55 |
3-7/16 |
| UCT318 |
90 |
46 |
32 |
160 |
106 |
57 |
175 |
32 |
228 |
255 |
312 |
110 |
66 |
192 |
96 |
40 |
22 |
| UCT318-55 |
3-7/16 |
1-13/16 |
1-1/4 |
6-5/16 |
4-3/16 |
2-1/4 |
6-7/8 |
1.26 |
8-31/32 |
10-1/32 |
12-9/32 |
4-11/32 |
2-19/32 |
7-9/16 |
3.7795 |
1.575 |
| UCT318-56 |
3-1/2 |
|